VT100 series inverter is a simple and smart inverter, which performs V/F control on AC asynchronous motors, and is suitable for simple places such as assembly lines and fans. This manual introduces the configuration functions and usage methods of VT100 series inverters.
Main Features
◎Output frequency range 0-300Hz;
◎The operation panel comes with a speed regulating potentiometer;
◎Built-in PID regulator, which can realize closed-loop regulation;
◎Built-in PID regulator, which can realize closed-loop regulation;
◎Multifunctional open collector output;
◎Support analog input 0-5V;
◎The V/F curve function can be set arbitrarily to meet the requirements of special occasions;
◎Use the shift key to view real-time parameters,
◎Adopt a new generation of ipm module with complete protection functions.
Product Outline Drawing

Inverter model and technical data

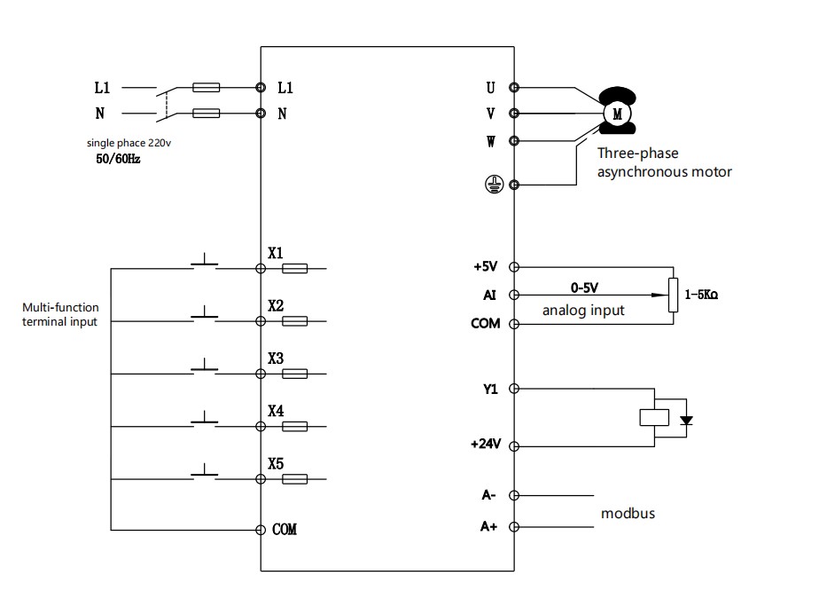
Control circuit wiring diagram

VT100(0.2KW~1.1KW)
VT100 series inverter is a simple and smart inverter, which performs V/F control on AC asynchronous motors, and is suitable for simple places such as assembly lines and fans. This manual introduces the configuration functions and usage methods of VT100 series inverters.